您当前位置:首页>产品中心产品中心

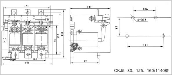
CKJ5-125/1140

 

 CKJ5-125/1140型交流低压真空接触器使用于交流50HZ,主回路额定工作电压到1140V,额定工作电流至600A的电流系统中,供远距离接通与开断电路及频繁地起动和控制交流电动机用。并适宜于与各种保护装置组成磁力启动器,具有电弧不外露等特点。特别适用于组成防爆磁力启动器。适用于煤矿或石油等行业。

 

型号

额定电压(工频)(V)

额定电流
(
主电路)
(A)

主触头参数(mm

工频电压V(有效值)

主电路

控制电路

开距

超程

终压力

主电路

辅助电路

控制电路

CKJ5-125/1140

1140

36,110,220,380

125

1.8±0.2

1

30±5

4200

2500

2000

 
 

型号

接通能力

分通能力

极限分断电流(A)

电寿命

机械寿命次数

质量

AC3

AC4

CKJ5-125/1140

10Ie,100

8Ie,25

2000,3

60×104

6×104

300×104

3.8kg

收缩
  • QQ咨询

  • 在线咨询
  • 在线咨询
  • 技术支持
  • 售后服务
  • 电话咨询

  • 13588957111